Produtos
Disjuntor montado em poste externo de 12KV
  • Disjuntor montado em poste externo de 12KVDisjuntor montado em poste externo de 12KV
  • Disjuntor montado em poste externo de 12KVDisjuntor montado em poste externo de 12KV
  • Disjuntor montado em poste externo de 12KVDisjuntor montado em poste externo de 12KV

Disjuntor montado em poste externo de 12KV

Model:ZW20-12F
Anqiang Power é um fabricante chinês de disjuntores montados em poste externo de 12kV. Este equipamento de distribuição de energia montado em poste externo tem uma tensão nominal de 12kV e opera em CA trifásica de 50Hz. Possui excelentes capacidades de religamento quando utilizado com um controlador, atendendo aos requisitos dos sistemas de automação de distribuição. É usado principalmente para ligar e desligar correntes de carga e correntes de curto-circuito em sistemas de energia de 10kV e é usado em subestações e sistemas de distribuição de empresas industriais e de mineração.

O disjuntor montado em poste externo ZW20-12F 12KV fabricado pela Anqiang integra perfeitamente as funções de um disjuntor a vácuo, religador e seccionalizador.  O gabinete do equipamento utiliza a tecnologia de estrutura selada a gás, à prova de explosão e de isolamento do VSP5 da Toshiba. Os conduítes das linhas de entrada e saída também foram aprimorados para melhor desempenho de vedação. O mecanismo operacional da mola foi miniaturizado e o circuito principal possui baixa resistência de contato. Portanto, este disjuntor externo de alta tensão é um produto livre de manutenção e uma escolha preferida para disjuntores montados em poste.

Fotos reais do produto

12KV Outdoor Pole Mounted Circuit Breaker

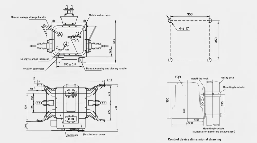
Diagrama de dimensões do produto

12KV Outdoor Pole Mounted Circuit Breaker

Parâmetros Técnicos

Projeto

Valor do parâmetro

Tensão nominal

12kV

Frequência nominal

50Hz

Corrente nominal

630/1000 A

Corrente nominal de interrupção de curto-circuito

20/25 kA

Corrente suportável de pico nominal

50/63ka

Corrente suportável nominal de curta duração

20/25 kA

Corrente nominal de curto-circuito

50/63ka

Sequência operacional nominal

Aberto - 0,3 segundos - Fechado - 180 segundos - Aberto - Fechado

Vida mecânica

10.000 vezes

Ciclos de interrupção de corrente nominal

10.000 vezes

Capacidade nominal de interrupção de curto-circuito

30 vezes

Pressão nominal do gás SF6

0Mpa


Vantagens do produto

Este disjuntor montado em poste externo de 12kV possui proteção contra sobrecorrente e um indicador de armazenamento de energia da mola do mecanismo.  Também é equipado com conector de aviação para conexões elétricas secundárias, facilitando a integração com controladores inteligentes. Seu excelente desempenho elétrico e mecânico torna o disjuntor a vácuo montado em poste externo ZW20-12F amplamente aplicável.


Hot Tags: Disjuntor montado em poste externo de 12KV, disjuntor elétrico externo, fabricante de disjuntor de alta tensão
Enviar consulta
Informações de contato
  • Endereço

    Zona Industrial de Jinlu, cidade de Beibaixiang, cidade de Yueqing, cidade de Wenzhou, província de Zhejiang, China

  • Tel

Para dúvidas sobre disjuntor, chave de carga, chave seccionadora ou lista de preços, deixe seu e-mail para nós e entraremos em contato em até 24 horas.
X
Utilizamos cookies para lhe oferecer uma melhor experiência de navegação, analisar o tráfego do site e personalizar o conteúdo. Ao utilizar este site, você concorda com o uso de cookies. política de Privacidade
Rejeitar Aceitar